Bilgi almak için arayınız.
1. Giriş
Titreşim izolatörleri, montaj elemanları ve burçlar gibi elastik (direngen) parçalar, titreşim ve yapısal gürültüyü azaltmak için mekanik sistemlerde yaygın olarak kullanılır. Bu elemanların titreşim izolasyon performansını belirleyen en önemli özelliklerden biri dinamik katılıktır (Dynamic Stiffness). Bu özelliğin doğru belirlenmesi; sistem tasarımı, ürün geliştirme ve kalite kontrol açısından büyük önem taşır.
Direngen elemanlar, dinamik yükler altında frekansa bağlı olarak farklı tepkiler sergiler. Bu nedenle, dinamik katılık, sadece elastik davranışı değil aynı zamanda sönüm etkisini de içermesi bakımından statik katılığa göre daha gerçekçi bir değerlendirme sunar. Dinamik katılık k(ω), dinamik kuvvetin F(ω) dinamik yer değiştirmeye x(ω) oranı olarak tanımlanır. Buradaki (ω) ifadesi, bu büyüklüklerin frekansa bağlı olduğunu belirtir.
ISO 10846 standart serisi, titreşim izolasyon sistemlerinin dinamik davranışlarını anlamak için katılık matrislerine dayalı bir yaklaşım sunar. Bu matrisler, aslında frekans-cevap fonksiyonlarının özel biçimleridir.
2. Neden Dinamik Katılık Ölçülür?
Dinamik katılık ölçümü, direngen elemanların gerçek çalışma koşullarındaki davranışlarını anlamak için yapılır. Çünkü bu elemanlar, çoğunlukla titreşimli yani dinamik ortamlarda çalışır.
Bu ölçümler sayesinde titreşim izolatörleri, burçlar, takozlar, contalar ve boru askıları gibi parçaların doğru seçimi ve boyutlandırılması yapılabilir. Örneğin bir motor takozu, motor titreşimlerini şaseden izole eder. Bu sayede hem araç içindeki konfor artar hem de yorulma kaynaklı hasarlar azalır.
3. Dinamik Katılık ve Sistem Davranışı
Dinamik katılık, direngen elemanın dinamik yük altındaki genel davranışını tanımlar. Bu değer, hem elastik özellikleri hem de sönüm etkisini içerir. Katılık ifadesi karmaşık bir sayı olarak gösterilir; bu sayının gerçek kısmı elastik tepkileri, sanal kısmı ise sönüm etkisini temsil eder.
Kayıp faktörü (η), elemanın enerji sönümleme kapasitesidir. Yani bir titreşim döngüsünde enerjinin ne kadarının kaybolduğunu gösterir.Dinamik katılık belirlenirken ölçüm sisteminin atalet etkileri dışarıda tutulmalıdır.
Sürüş noktası katılığı (k₁₁), sistemin atalet etkilerini içerirken; blokajlı transfer katılığı (k₂₁) yalnızca izolatörün kendi dinamik karakterini yansıtır. Şekil 1’de bir izolatörün farklı statik ön yükler altında frekansa bağlı dinamik katılık ve kayıp faktörü grafikleri paylaşılmıştır.
(a) (b)
Şekil 1 Frekansa Bağlı Dinamik Katılık (a) ve Kayıp Faktörü (b) Değerleri [1]
4. Dinamik Katılık Ölçüm Yöntemleri
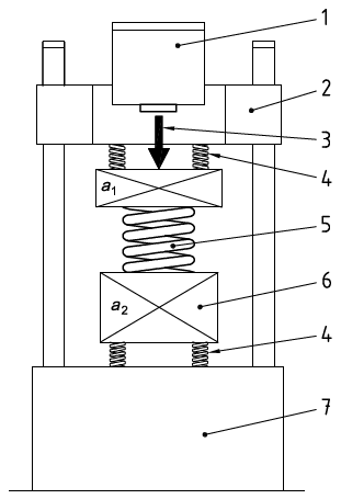
ISO 10846 serisi, dinamik katılığın ölçümü için üç temel yöntem tanımlar: Doğrudan yöntem, Dolaylı yöntem ve Sürüş noktası yöntemidir, şekil 2’de dolaylı yöntem için örnek ölçüm düzeneği paylaşımlıştır. Doğrudan ve dolaylı yöntemlerde blokajlı transfer katılığı (k₂₁) ölçülürken, sürüş noktası yönteminde sürüş noktası katılığı (k₁₁) ölçülür. Düşük frekanslarda k₁₁ ve k₂₁ benzer sonuçlar verir.
Testlerde, direngen eleman bir titreşim eyleyicisiyle uyarılır. Ölçümlerde tahrik kuvveti ve buna karşılık oluşan yer değiştirmeler alınır. Uyarım sinyali olarak beyaz gürültü, sinüs tarama veya darbe tipi sinyaller kullanılabilir. Kuvvet ve yer değiştirme, uygun sensörlerle (kuvvet transdüseri, ivmeölçer, hız veya deplasman sensörü) ölçülür. Ölçümlerin doğru ve tekrarlanabilir olması için: Tahrik sinyali elemanın lineer davranış sınırında kalmalıdır, Titreşim enerjisi test elemanı dışındaki yollardan iletilmemelidir, Çalışma koşullarına uygun statik ön yükleme uygulanmalıdır.

Şekil 1 Örnek Ölçüm Düzeneği [2]
5. Sonuç
• Dinamik katılık, elastik elemanların çalışma koşullarındaki davranışını anlamak için temel bir ölçümdür. Bu veriler, tasarım, analiz ve malzeme seçiminde önemli bilgiler sağlar.
• Doğru sonuçlar elde etmek için ölçümler standartlara uygun şekilde, dikkatle tanımlanmış test düzenekleriyle yapılmalıdır.
• Uygun test yöntemi, ölçüm frekans aralığına, izolatörün tipine ve sertliğine göre seçilmelidir.
• Başarılı sonuçlar için test düzeneklerinin yan iletim, rezonans ve temas düzgünsüzlüğü gibi hata kaynaklarından arındırılmış olması gerekir.
Kaynak:
[1] Gao, X., Feng, Q., Wang, A., Sheng, X., & Cheng, G. (2021). Testing research on frequency-dependent characteristics of dynamic stiffness and damping for high-speed railway fastener. Engineering Failure Analysis, 129, 105689.
[2] ISO 10846-3. (2002). Acoustics and Vibration‐Laboratory Measurement of Vibro‐acoustic Transfer Properties of Resilient Elements—Part 3: Indirect method for determination of the dynamic stiffness of resilient supports for translatory motion.